menu

Ανοξείδωτες αντλίες νερού

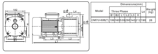
Αντλία οριζόντια ανοξείδωτη πολυβάθμια CMI-12-50B T

Κωδικός:

71.00.066

Κατάλληλη για διακίνηση καθαρού νερού, οικιακής παροχής. Ιδανική για πότισμα κήπων και για πιεστικά συγκροτήματα.

Ονομαστική Παροχή Qmid
7.0 m3/h
Ονομαστική Παροχή Qmax
15 m3/h
Ονομαστικό Μανομετρικό Hmid
60 m
Μέγιστο Μανομετρικό Hmax
62 m
Ισχύς N
4 HP
Τάση
400 V
Στόμιο Εξαγωγής
1 1/2 x 1 1/2 Inches
Έχετε απορίες; Επικοινωνήστε μαζί μας
Επιτυχής αποστολή ενημέρωσης!

Κατάλληλη για διακίνηση καθαρού νερού, οικιακής παροχής. Ιδανική για πότισμα κήπων και για πιεστικά συγκροτήματα.

 

ΧΑΡΑΚΤΗΡΙΣΤΙΚΑ

Σώμα αντλίας : Ανοξείδωτος χάλυβας
Πτερωτή : Ανοξείδωτος χάλυβας
Άξονας : Ανοξείδωτος χάλυβας AISI 304
Θερμ. υγρού : 0 έως +70°C
Μηχ. Στυπιοθλίπτης : Κάρβουνο/Κεραμικό
Προστασία/Μόνωση : IP 55 / cl.F

 

 

 

 

 

 

 

 

 

 

Back To Top
cookie